如若转载,请注明出处:http://www.waiqiumianzhouchengzuo.com/product/2.html
更新时间:2026-04-05 12:09:23
轴承座 SN轴承座 SNL轴承座 SD轴承座 外球面轴承座 各种大型与SKF轴承座同步产品
【现货批发UCPW205外球面轴承PW205轴承座PW轴承座系】价格_厂家_图片 -
菱形外球面轴承座_南安轴承附属件公司_
开封瑞江轴承厂家大量供应uc205(90505)型:带顶丝外球面轴承图片,开封瑞江轴承厂家大量供应uc205(90505)型:带顶丝外球面轴承图片大全,开封轴承厂轴承座分厂产品销售处 -
供应外球面轴承UCP217、轴承座、临清中瑞德轴承_轴承栏目
带座外球面轴承UCFC200 UCFC300系列
外球面轴承怎么装轴承座?_系列_表面_负荷
带座轴承p205立式p206菱形f205不锈钢p208 204 f206外球面轴承座
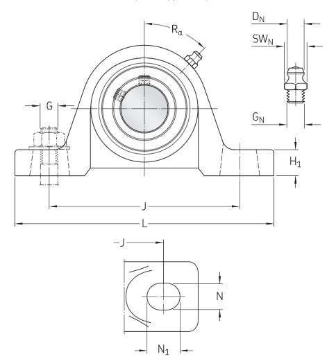
外球面轴承座尺寸图纸.快快收藏吧,拿走不谢,这下都集全了,u
aza京冠外球面带悬挂式轴承座 ucfb201 ucfb202 ucfb203 ucfb204-阿里