如若转载,请注明出处:http://www.waiqiumianzhouchengzuo.com/product/120.html
更新时间:2026-01-05 19:04:28
ucfx系列 tr带方形座外球面轴承
UCFLU210外球面轴承、轴承型号、轴承厂家、轴承尺寸、轴承座_机电之家
CU209-TW202A[VacuumFluorescentDisplays-VFDT-VERSION1X 质量怎么样-兄弟导购
东莞tr外球面轴承座ucp210 p211 p212 p213 p214 p215 ucp210(内径50)
蝉联20年∮【广东烟店轴承】【烟店轴承厂家】鑫宇鑫-枣强县鑫宇鑫传动件厂提供蝉联20年∮【广东烟店轴承】【烟店轴承厂家】鑫宇鑫的相关介绍、产品、服务、图片、价格轴承座、外球面轴承座、轴承瓦座、轴承瓦合、外球面带座轴承、轴承座型号、
sbpft200系列的轴承座配什么型号的轴承
ucfa204--带座外球面球轴承-ucfa2紧固螺钉型带可调菱形座外球面球轴
舍弗勒 ina gye50-xl-krr-b 外球面球轴承
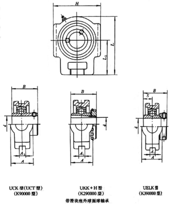
外球面uk217带座轴承
不锈钢外球面轴承座:特点与用途详解